不使用UDI产品无法注册上市,产品标识码已与医疗器械注册挂钩
2021年全域推进UDI
日前,福建省卫健委、福建省医疗保障局印发《全面推进医疗器械唯一标识系统建设工作的通知》,通知指出,2021年福建省被国家列入全域推进UDI试点省份,将进一步强化“三医联动”推进UDI建设,调整和充实福建省医疗器械唯一标识系统试点工作的组织领导机构,在UDI协助小组4个工作组的基础上增设“四码映射组”。

“四码映射组”主要负责推进UDI码与医保编码、收费编码、字典编码的映射工作,拓展UDI在医疗、医保、监管等领域的衔接应用研究,探索唯一标识在采购、结算中的应用模式,在海关、商务,工信部门的推广运用。
据赛柏蓝器械观察,2019年7月以来,福建省按照《国家药监局综合司国家卫生健康委办公厅关于印发医疗器械唯一标识系统试点工作方案的通知》要求,开展医疗器械唯一标识(UDI)系统试点工作。
目前,福建医疗器械唯一标识系统试点工作部门协作工作小组对UDI系统试点工作进行了评估,现将工作积极性高、试点推进工作较好的厦门、福州、泉州3个设区市市场监管局,大博医疗科技股份有限公司、英科新创(厦门)科技有限公司、厦门万泰凯瑞生物技术有限公司3家医疗器械生产企业、福建国药器械有限公司、福建优智链医疗科技有限公司2家医疗器械经营企业;
厦门大学附属心血管病医院、厦门弘爱医院、福州市第二医院、泉州市正骨医院4家医疗机构列入福建省UDI试点示范单位。
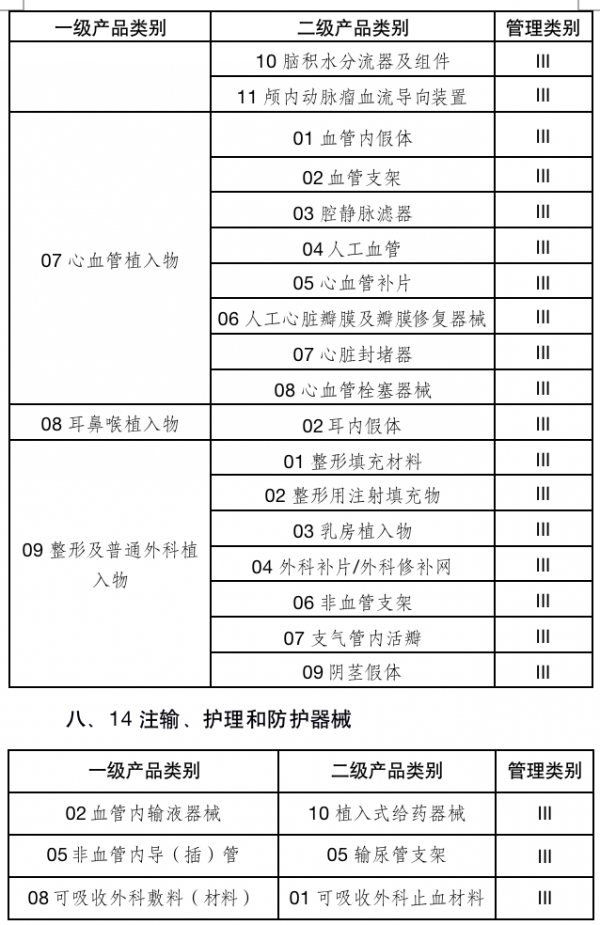
9大类69个品种已落地
在生产领域生产领域,福建省药监局指出,国家第一批实施医疗器械唯一标识的9大类69个品种已正式实施,自2021年1月1日起,省内涉及该类品种企业必须全部赋码上市。
按照国家药监局要求,未按要求填报产品标识(DI)的,注册申报资料将不予签收,这意味着,不使用UDI产品就无法注册上市。将产品标识码和医疗器械注册挂钩,对医疗器械企业来说更具紧迫性。
其他省内III类产品的企业应于2021年7月1日前将III类产品标识(DI)上传到国家局,并指定专员对数据真实性、准确性、完整性负责。
2021年7月1日起,新申办和再注册的Ⅱ类医疗器械注册人应当将其产品标识(DI)上传至国家医疗器械唯一标识数据库,并在产品上市销售前完成赋UDI码工作。
鼓励其他已上市的Ⅱ类产品生产企业尽早完成产品UDI的赋码工作。
医疗器械生产企业应当提升产品的赋码质量,做好成品入库前的扫码验证工作,防止无效码的产品流入市场;
同时,企业应当根据自身产品的特点,充分考虑使用机构在临床使用中最小销售单元与最小使用单位(DI)关联性,在赋码层级设计上提升科学性,合理性及终端使用的便利性。
在经营领域,医用耗材集中带量采购的医疗器械配送企业、医疗器械代贮代送经营企业应当于2021年7月1日前实现对所有已赋码的产品进行扫码入库、出库,并做好与上下游单位数据衔接工作。
各设区市市场监管局负责督促医用耗材集中带量采购的医疗器械配送企业、医疗器械代贮代送经营企业落实UDI在流通环节的系统建设工作,鼓励其他医疗器械经营企业尽快参与实施UDI系统的运用,并于7月底前向省药监局报送辖区医疗器械经营企业实施UDI的情况。
一码联通时代已到来
在使用领域,福建省药品监督管理局、卫生健康委员会、医保局共同推进UDI在使用领域的运用,推进UDI与“医保编码”“收费编码”“字典编码”建立映射关系,省级阳光采购平台根据映射情况完善平台数据UDI标识。
各级卫生健康部门和市场监管局要共同督促相应级别医疗机构加强本单位信息化系统建设,运用UDI实现对医疗器械的精细化管理。
已实现通过UDI扫码解析等院内入库、出库、消耗等各环节的运用的UDI试点示范医疗机构,于2021年7月1日前完成UDI码与“医保编码”“收费编码”“字典编码”的映射,实现UDI码的“一码联通”。
UDI试点医疗机构应当于2021年9月30日前实现对所有已赋UDI码产品的UDI码解析和运用,积极推进已赋UDI码的医疗器械在院内全程扫码流转,推动运用UDI实现对医疗器械的精细化管理。
UDI试点医疗机构不再接收《关于深入推进试点做好第一批实施医疗器械唯一标识工作的公告》所列9大类69个品种2021年1月1日之后生产的无UDI码的产品,但不应拒绝此日期前生产的无UDI码产品。
福建省药监局指出,其他医疗机构应当参照“医疗机构UDI实施指南”积极推进UDI工作,运用UDI实现对医疗器械的精细化管理。全国统一的国家医保编码落地后,各单位应当及时做好UDI码与国家医保编码的映射工作。
医疗器械唯一标识(Unique Device Identification,简称UDI)由产品标识(DI)和生产标识(PI)组成,是医疗器械统一有效的编码系统,可以通俗地理解为“医疗器械的身份证”。
医疗器械唯一标识是医疗器械的“身份证”,是唯一、精准识别医疗器械的基础,贯穿医疗器械生产、流通、使用各环节,将影响医疗器械全生命周期。
医疗器械“身份证”长什么样子?各部分都代表什么?

(图片来源: 浙江新闻客户端)
据企业介绍,“身份证”类似于商品的条码,它由两部分构成,前部分是企业的基本信息,包括包装信息等,第二部分主要是企业生产的动态信息,该码可以实现全流程的管理,最终可以关联到医院的电子病历。
第一批实施医疗器械唯一标识的产品目录




找产品
招代理商
找工作
查数据




